1 ) Op - Amp can amplify ___________ .
A ) AC
Signals ,
B ) DC
Signals ,
C ) Both of
above ,
D ) None of
above ,
Correct
Answer : - C ) Both of above ,
2
) The virtual ground of an Op_amp means ______________ ,
A ) Terminal
is grounded together ,
B ) Terminal
is not physically grounded but at zero voltage ,
C ) Both of
above ,
D ) None of
above ,
Correct
Answer : - B ) Terminal is not physically grounded but at
zero voltage ,
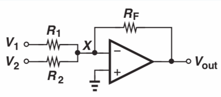
3
) If
R1 = R2 = RF and V1
= V2 = 5V , Then Vout is ______________ ,
A ) 5V ,
B ) -5V ,
C ) 10V ,
D ) -10V ,
Correct
Answer : - D ) -10V ,
4
) If R1 = R2 = 0.5 RF , then
Vout will be ___________ of the sum of the inputs .
A ) Half ,
B ) Equal ,
C ) Two Times
,
D ) Four
Times ,
Correct
Answer : - C ) Two Times ,
5
) The Circuit shown behave as a _________________ .
A ) Low Pass
Filter ,
B ) Band Pass
Filter ,
C ) High pass
Filter ,
D ) Band stop
Filter ,
Correct
Answer : - C ) High pass Filter ,
6
) Voltage gain of an ideal Op-Amp is __________________ .
A ) Finite ,
B ) Infinite
,
C ) None of
above ,
Correct
Answer : - B ) Infinite ,
7
) If
R1 = R2 = R , V1 =
10V , V2 = 20V and Vout = 90
, then the ratio of RF to R is ___________
.
A ) One .
B ) Two .
C ) Three .
D ) Four .
Correct
Answer : - C ) Three .
8
) Op - amp Integrator uses _____________ .
A ) Capacitor
as feedback element ,
B ) Inductor
as feedback element ,
C ) Resistor
as a feedback element ,
D ) None of
above ,
Correct
Answer : - A ) Capacitor as feedback element ,
9
) The Circuit Shown behave as a _________________ ,
A ) Low Pass
Filter ,
B ) Band Pass
Filter ,
C ) Highpass
Filter ,
D ) Bandstop
Filter ,
Correct Answer : - A ) Low Pass Filter ,
10
) Which is not the ideal characteristic
of an op - amp ?
A ) Input
Resistance --> 0 ,
B ) Output
impedance --> 0 ,
C ) Bandwidth
--> ∞ ,
D ) Open loop
voltage gain -->∞ ,
Correct
Answer : - A ) Input Resistance --> 0 ,
